STG-120三軸一體光纖陀螺儀
2023-11-01 韓正宇

產品概述
● STG-120型三軸分體式光纖陀螺儀是一款全固態(tài)高精度數字化閉環(huán)光纖陀螺儀,基于薩格奈克(SAGNAC)原理,由摻鉺光纖光源、光纖耦合器、光電探測器、集成光學相位調制器、光纖傳感環(huán)圈、電路及結構體組成。
產品特點
● 單5V供電,極低功耗;
● 優(yōu)異的全溫性能;
● 優(yōu)異的啟動性能,通電即能達到標稱指標,無需預熱;
● 優(yōu)異的環(huán)境適應性,抗強沖擊振動;
● 干涉條紋識別技術,支持全動態(tài)范圍冷啟動。
應用領域
● 捷聯慣導系統(tǒng);
● 航姿儀;
● 光纖羅經;
● 定位定向系統(tǒng);
● “三自”慣性導航系統(tǒng)。
技術指標



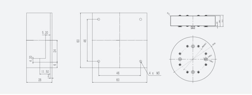
尺寸圖
